—專業制造 專心服務—
產品服務
PRODUCTS
/ 產品服務
以研發、設計、生產、安裝服務一站式產業鏈為依托,融入新能源技術,為用戶提供更加節能、環保、安全的用電服務。
推薦產品
產品總匯
研發創新
推薦新品
一級配電
二級配電
終端電器
工業控制與保護
電力變壓器
電源電器
高壓電器
電能質量
成套設備
母線槽、電纜橋架、電纜附件
“專業制造,專心服務”
解決方案
SOLUTION
/ 解決方案
持之以恒專注于電氣科技,時刻站在行業的前沿譜寫未來創新發展的新篇章。
35kV及以下輸配電系統
0.4kV電力系統
工業與民用建筑
新能源領域
軌道交通地鐵低壓配電系統
“專業制造,專心服務”
服務支持
SUPPORT
/ 服務支持
堅持發揚“同心、敬業、創新、爭先”的企業精神,以“品牌國際化、產業科技化、管理現代化、市場全球化”為發展方向,站在全球的視野,持續創新。
營銷區域
視頻中心
資料下載
產品價格查詢
“專業制造,專心服務”
合作伙伴
PARTNER
/ 合作伙伴
為國內輸配電及控制系統提供多樣化的服務,產品被中石化、中石油、國家水利水電部、國家電網公司等列入設備供應級網絡單位。
成為合作伙伴
我們如何幫助您
合作伙伴展示
“專業制造,專心服務”
人才戰略
JOBS
/ 人才戰略
尊重人才,關愛人才,聚好、用好、育好、留好人才,營造了“鼓勵人才干事業,支持人才干成事業,幫助人才干好事業”的良好氛圍。
人才理念
社會招聘
校園招聘
“專業制造,專心服務”
關于我們
ABOUT
/ 關于我們
創辦于1998年,是目前國內專業的高、低壓電器、儀器儀表、電力變壓器、智能電氣、成套電氣等機電產品的制造商。
企業簡介
資質榮譽
資訊動態
誠信與道德
聯系方式
“專業制造,專心服務”
聯系方式
首頁
產品服務
推薦產品
產品總匯
研發創新
解決方案
解決方案首頁
35kV及以下輸配電系統
0.4kV電力系統
工業與民用建筑
新能源領域
軌道交通地鐵低壓配電系統
服務支持
營銷區域
視頻中心
資料下載
產品價格查詢
合作伙伴
成為合作伙伴
我們如何幫助您
合作伙伴展示
人才戰略
人才理念
社會招聘
校園招聘
關于我們
企業簡介
資質榮譽
資訊動態
誠信與道德
聯系方式
聯系我們
CN
|
EN
首頁
產品服務
母線槽、電纜橋架、電纜附件
母線槽
母線槽
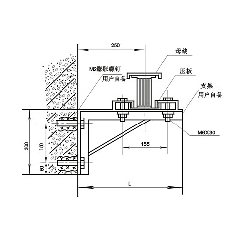
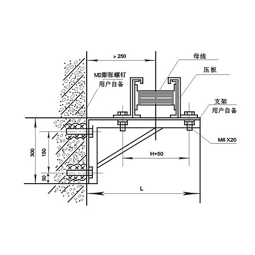
安裝
屬于
母線槽
我要采購
聯系支持人員
介紹
文檔
證書
相關產品
PDF文檔
認證及實驗報告等
產品目錄:
分類列表:
推薦新品
CF3精品系列
CF5新品系列
CF8新品系列
華通智云系列物聯網斷路器
終端配電系列
一級配電
ACB框架式斷路器
二級配電
塑料外殼式斷路器
電子式塑殼斷路器
剩余電流動作斷路器
雙電源自動轉換開關(CB級)
雙電源自動轉換開關(PC級)
刀開關
熔斷器式隔離開關
負荷隔離開關
熔斷器
終端電器
小型斷路器
直流小型斷路器
剩余電流動作斷路器
小型隔離開關
家用接觸器
一體式剩余電流保護斷路器
模數化插座
電涌保護器
過欠壓保護及附件
電表箱
工業控制與保護
交流接觸器
真空接觸器
切換電容接觸器
熱繼電器
接觸式繼電器
電動機起動器
電動機控制器
控制與保護開關電器
時控開關
主令電器
按鈕、信號燈
行程開關
組合開關
轉換開關
倒順開關
繼電器
時間繼電器
電力保護繼電器
電磁鐵
電力變壓器
超高壓系列
油浸式變壓器
干式變壓器
非晶合金變壓器
電爐變壓器
調容、調壓變壓器
高過載變壓器
礦用變壓器
變電站、箱變
JP柜
電源電器
控制變壓器
電抗器
穩壓器
調壓器
高壓電器
避雷器系列
復合絕緣子系列
高壓熔斷器系列
智能配網自動化開關
智能配網預付費真空斷路器
配電網雙電源投切真空斷路器
戶外交流高壓真空斷路器
戶內交流高壓真空斷路器
戶外交流高壓隔離真空負荷開關
戶內交流高壓真空負荷開關
戶內交流高壓隔離開關
戶外交流高壓隔離開關
戶內高壓真空接觸器
電能質量
電能表
電工儀表
互感器
電容器
無功補償控制器
無功綜合測控儀
三相不平衡治理裝置
成套設備
低壓開關柜
中、高壓開關柜
變電站
照明配電箱
通訊機柜
母線槽、電纜橋架、電纜附件
母線槽
槽式電纜橋架
梯級式電纜橋架
組合式電纜橋架
支架
附件
電纜附件
網格視圖
列表視圖
CFW
高強封閉絕緣
查看詳情
文檔
查看所有
KFM
母線槽
查看詳情
文檔
查看所有
GM
高壓共相式封閉母線
查看詳情
文檔
查看所有
母線槽
安裝
查看詳情
文檔
查看所有
下一頁…
35kV及以下解決方案
0.4kV電力系統解決方案
工業與民用建筑解決方案
新能源領域解決方案
軌道交通解決方案
微信公眾號
手機網站
華通網站群
華通機電股份有限公司
上海華通企業集團
© 2021~2026 華通機電股份有限公司 版權所有.
浙ICP備11056149號-2
浙公網安備 33038202003896號
技術支持:
億新科技
流量統計
Follow us
BE SOCIAL